Page:Popular Science Monthly Volume 83.djvu/117
This page has been validated.
THE EARTH AND SUN AS MAGNETS
113

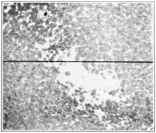
Fig. 6. Calcium (H2) Flocculi photographed with the Spectroheliograph, April 30, 1908.
spectroheliograph, by admitting no light to the sensitive plate except that radiated by calcium vapor. These calcium flocculi (Fig. 6), like the cumulus clouds of the earth's atmosphere, exhibit no well-defined linear structure. But if we photograph the sun with the red light of hydrogen, we find a very different condition of affairs (Fig. 7). In this higher region of the solar atmosphere, first photographed on Mount Wilson in 1908, cyclonic whirls, centering in sun-spots, are clearly shown.
The idea that sun-spots may be solar tornadoes, which was strongly

Fig. 7. Hydrogen (Hα) Flocculi photographed with the Spectroheliograph, April 30, 1908.