Page:Popular Science Monthly Volume 27.djvu/49
This page has been proofread, but needs to be validated.
METHODS OF TEACHING POLITICAL ECONOMY.
37
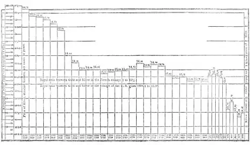
The slow and painful work of months is in this way presented to a class in a few minutes, and the practical lessons caught at a glance. Indeed, in most problems the difficulty is to put others in possession of

the facts which one is about to discuss. For this purpose, charts are the labor-saving machine of statistics. They can be made on common white cotton cloth (called sarcenet), which receives ink (black or red or blue) or water-colors; or on heavy manila paper, made large