Size comparison of transistor packages. Two surface-mount packages, SOT23 and SOT223, are shown next to through-hole packages
A small outline transistor (SOT) is a family of small footprint, discrete surface mounttransistor commonly used in consumer electronics. The most common SOT are SOT23 variations,.[1] SOT23-5 differs from SOT23 in a wider body of 1.6 mm (0.063 in) instead of 1.3 mm (0.051 in). Also, manufacturers offer the nearly identical thin small outline transistor (TSOT/TSOP) package, where lower height is important.[2][3][4][5]
SOT23-3, SOT323, SOT416
The SOT23-3 package is very popular and a common package for transistors, as well as diodes and voltage regulators.[1]
The SOT89-3 electrically only has three leads (contact/pin). The wide lead (tab) is physically part of the middle lead on the other side of the package. Some call this package a SOT89-4, since it visually appears to have four leads when looking down at the part.
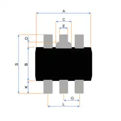
The SOT89-5 electrically only has five leads (contact/pin). The middle lead is physically part of the middle lead on the other side of the package. Some call this package a SOT89-6, since it visually appears to have six leads when looking down at the part.
SOT89-5
Dimensions (mm)
A
4.6
B
2.6
C
1.6
D
E
F
G
1.5
H
J
K
S
L
SOT223 (SOT223-4)
The SOT223-4 package is a popular package for voltage regulators. It was introduced by Philips.[32]
^"SOT457 Package information"(PDF). NXP. 2018-05-05. Retrieved 2022-05-25. plastic, surface-mounted package (TSOP6); 6 leads; 0.95 mm pitch; 2.9 mm x 1.5 mm x 1 mm body
^"SOT363 Package information"(PDF). NXP. 2018-05-09. Retrieved 2021-09-07. plastic, surface-mounted package; 6 leads; 0.65 mm pitch; 2mm x 1.25 mm x 0.95 mm body
^Hollander, Dave (1995). "Packaging trends and mounting techniques for power surface mount components". Proceedings of 1995 International Conference on Power Electronics and Drive Systems. PEDS 95. Vol. 1. pp. 264–270. doi:10.1109/PEDS.1995.404911. ISBN 0-7803-2423-4. S2CID109636238.
It is relatively common to find packages that contain other components than their designated ones, such as diodes or voltage regulators in transistor packages, etc.