Linear Algebra and the C Language/a04r
Analysis of an electrical circuit with the left inverse (Pseudo-Inverse).
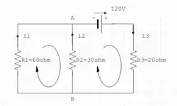
I use Pinv_Rn_mR(); to study a Network.
| * Presentation | ![]() |
* Resolution | ![]() |
| * Presentation | ![]() |
* Resolution | ![]() |
| * Presentation | ![]() |
* Resolution | ![]() |
I use Pinv_Rn_mR(); to study a Network.
| * Presentation | ![]() |
* Resolution | ![]() |
| * Presentation | ![]() |
* Resolution | ![]() |
| * Presentation | ![]() |
* Resolution | ![]() |