Historical Geology/Siliceous ooze


In this article we shall consider the origin, deposition and lithification of siliceous ooze.
Siliceous ooze
As with calcareous ooze, siliceous ooze is formed from the tests of microorganisms; in the case of siliceous ooze, the organisms come in two varieties, diatoms and radiolarians. In both cases the silica forming the tests is in the amorphous form known technically as opal. To be classed as siliceous ooze, sediment needs to be composed at least 30% of this material.
The pictures at the top of this article are photomicrographs of, on the left, a diatom, and on the right, a radiolarian. Neither should be considered a typical representative of the type, since there is really no such thing: both diatoms and radiolarians exhibit a wide variety of forms.

The map to the right shows the distribution of siliceous ooze in green. The tropical siliceous ooze is dominated by radiolarians; the bands at higher latitudes are dominated by diatoms.
It is estimated that the very small tests of these organisms would take 20 to 50 years to drift down to the sea floor; however, they can descend more rapidly in the form of the fecal pellets of the organisms which browse on diatoms and radiolarians. The rate of deposition of siliceous ooze is about 10mm per thousand years.
The opal compensation depth
As with calcareous ooze, there is a depth below which siliceous ooze will be dissolved faster than it can be deposited, known as the opal compensation depth. However, silica is more resistant to dissolution than calcium carbonate, and the depth is correspondingly deeper: approximately 6000 meters.
Rocks from siliceous ooze: how do we know?

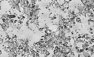
In some cases it is very easy to relate siliceous rocks to siliceous ooze. Diatomite, for example, when viewed under a microscope, is quite clearly made of diatoms; it might be described as the siliceous equivalent of chalk. The photomicrograph to the right shows crumbled fragments of diatomite: it is unmistakably composed of diatoms.
Marine chert, however, is at first glance more enigmatic: its structure consists of very fine crystals of silica, and hints of its biological origin have largely been lost, raising the question of how we know that it did in fact have a biological origin. The question (and indeed the answer) is similar to the question we raised about marine limestone in the previous article. In this section we shall briefly review the evidence suggesting that the silica of which marine chert is composed has its origins as siliceous ooze.
First of all, note that chert is just what we would expect to get if time, pressure, dissolution and reprecipitation caused recrystallization of silicious ooze. Marine chert requires a source of silica; siliceous ooze provides a source of silica. Even if we had no other relevant evidence, we should preferably ascribe the origin of bedded chert to siliceous ooze rather than hypothesizing some other origin for the silica as yet undiscovered.
More direct clues are revealed by the circumstances under which chert is found. Taking samples of rock from the same site at varying depths (an example is given here on p. 575) then we may for instance find layers of clay; of clay rich in radiolarians; of radiolarians filled and cemented with silica; and of true chert. Now it would take a stretch of the imagination to suppose that the silica composing the chert has quite a different origin from the silica in the other layers; especially as there is no good hypothesis as to what that origin could be.
Furthermore, in some cases when chert reveals no visible organic structures, treatment of the chert with hydrofluoric acid reveals radiolarian structures in the chert, presumably because the silica of the matrix has a rather more soluble structure than that of the radiolarians (see here for further details). Now, it would be possible to argue that these radolarians are "incidental": that they just happened to get buried in some siliceous sediment other than siliceous ooze. However, in the light of the other considerations we have mentioned, this seems unlikely.
Some have argued that there must be at least some alternative origin for chert, on the grounds that Precambian cherts are known, and these precede the evolution of radiolarians and diatoms. However, study of these Precambian cherts reveals microscopic spherical ornamented structures (see here for further details). If some of these are the shells of extinct silica-secreting organisms then we might think it probable that the Precambrian cherts were formed from siliceous ooze composed of these tests.
On the other hand, we should note that if there were no organisms in the Precambrian seas that secreted silica, then the oceans would have had a much higher concentration of silica than they do today, and perhaps under these conditions non-biological deposition of silica might have been possible by processes which could not operate in modern conditions.
However this may be, there seems little to disturb the consensus that more recent cherts have a biological origin. This is not to say that the topic of chert is without its controversies, but these fall outside the scope of an introductory article such as this one.