Top Lid
Tools
These are some common tools used to work on this device. You might not need every tool for every procedure.
Background
The George Foreman GR-20 is a grilling machine by George Foreman. First available in January 22, 2002, the George Foreman GR-20 provides an 8-by-18-inch nonstick cooking surface that can grill four burgers, two steaks, four chicken breasts—plus seafood and vegetables. Its extender feet raise the grill for easier filling of taco shells.
Identification
This model is identified by GR20WHT XL Grill. It’s white on the outside with a “Lean Mean Fat Reducing Grilling Machine” logo on the top side. On the inside it has a double-sided nonstick grill surface that heats up. In addition, there is an orange light on the top side that indicates if the grill is on or off.
Technical Specifications
General:
- Color: White
- Item Dimensions: 11.00 x 9.00 x 5.00 inches
- Item Weight: 4.20 lbs
- Grill Surface: 8.00 x 18.00 inches
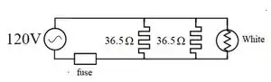
System Specifications
- Voltage: 120 V
- Current: 6.53 A
- Heating Element: 36.4 Ω
- Power: 820 W
- AC: 60Hz
Additional Information
Wikipedia: George Foreman Grill
George Foreman GR20WHT XL Grill on Amazon